歡迎來到漢克(Airhank)官方網站
當前位置:首頁 > 產品 > 高速渦輪風機 > HANK70-4.0
HANK70-4.0
資料下載
資料下載
特性曲線

性能數據
| 技術參數 | HANK70-4.0 | |
|---|---|---|
| 最大流量 | m3/h | 850 |
| 真空吸力 | mbar | -240 |
| 額定吹力 | mbar | 255 |
| 頻率 | Hz | 50 |
| 電壓 | V | 380 |
| 電流消耗 | A | 7.55 |
| 功率 | Kw | 4 |
| 電機轉數 | min-1 | 2800 |
| 重量 | Kg | 54 |
| 噪音值 | dB (A) | 62 |
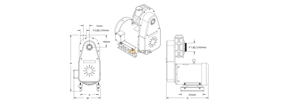
技術圖紙

快速聯系我們
您有任何關于空氣干燥系統與流體解決方案的疑問,聯系:+86 (0769) 2311 5899 郵件:hank@airhank.com
*請認真填寫需求信息,我們會在24小時內與您取得聯系。
COPYRIGHT ? 2014-2017 東莞市漢克機電科技有限公司 版權所有 法律申明網站地圖粵ICP備14083426號
策劃設計:奧慧營銷策劃機構